Lengan Robot Pengelasan RJH605E
·Struktur berongga mengintegrasikan semua kabel di dalamnya untuk melindunginya
·Struktur kompak dan sederhana
·Banyak digunakan untuk pengelasan suku cadang otomotif, lembaran logam, struktur baja
·Kompatibel dengan berbagai obor las dan tukang las
·Tambahkan sumbu ke-7 untuk memperluas zona kerja
Deskripsi
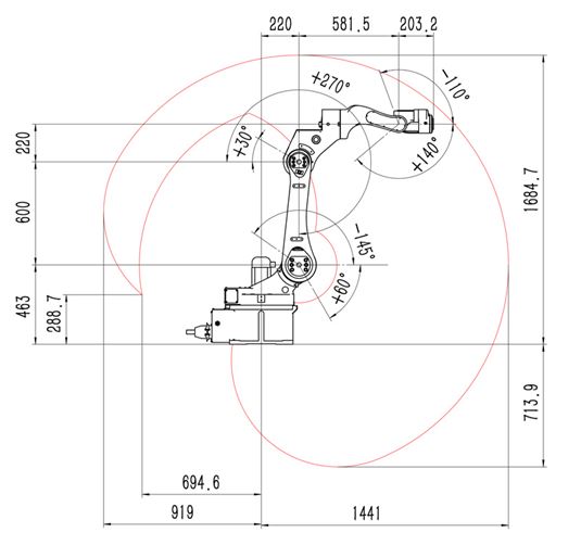
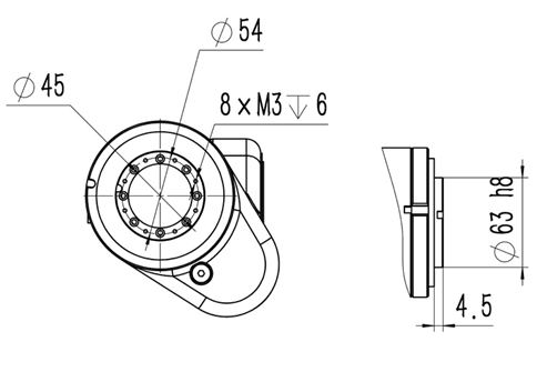
Parameter teknis

Fitur lengan robot pengelasan
1. Mudah digunakan:
Pengoperasian dengan ikon, efisiensi tinggi dalam mengajarkan titik pengelasan dan debugging, dan mewujudkan pengoperasian buta bagi operator tanpa pengetahuan pengoperasian robot.
2. Pemeriksaan instruksi cerdas
Secara otomatis memeriksa apakah instruksi pengelasan program pengguna sudah benar atau tidak.
3. Perencanaan frekuensi pendulum yang cerdas
Menyediakan metode perencanaan frekuensi untuk kebutuhan proses terbaik, mengidentifikasi amplitudo ayunan secara real-time untuk mendapatkan frekuensi terbaik, dan memiliki stabilitas tinggi.
4. Pengelasan sisik ikan
Masukan panas yang kecil dapat membuat benda kerja pengelasan lebih tipis, dan busur dapat menjadi lembut dan stabil bahkan pada tegangan yang sangat rendah.
Instruksi yang cerdas




Konfigurasi
| Barang | Keterangan |
| Robot Pengelasan 6 sumbu | Robot RJH605E |
| Kabin kendali robot | |
| Liontin pengajaran | |
| Perangkat lunak | |
| Tukang las | |
| Merk: Megmeet | |
| Model: Ehave-CM350 | |
| Pistol las | |
| Merk: INNO | |
| Model: 350D | |
| Pengumpan kabel | |
| (Merek: Zhenkang | |
| Model: 120SN10-CQ) | |
| Stasiun pembersihan obor | Stasiun pembersihan obor |
| (Termasuk pistol pembersih, pemotong kabel, injeksi oli) |
Efek pengelasan
Proses pengelasan berbagai ketebalan pelat
Basis verifikasi pemeriksaan proses cepat
Pencocokan cepat dari keseluruhan rencana pengelasan

Tag populer: lengan robot las rjh605e, Cina, produsen, pemasok, pabrik, beli, murah, harga murah, untuk dijual
Sepasang
Robot Pengelasan Industri RJR620Berikutnya
Sistem Pengelasan Otomatis RJH605EKirim permintaan









